• A801.2Z - ワイヤーガイドと矯正ローラー
  • A801.2Z - ワイヤーガイドと矯正ローラー
  • A801.2Z - ワイヤーガイドと矯正ローラー
  • A801.2Z - ワイヤーガイドと矯正ローラー

A801.2Z - ワイヤーガイドと矯正ローラー

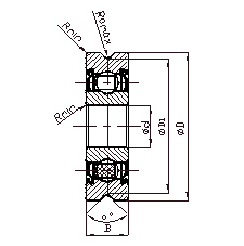
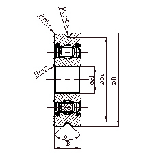
No.A801.2Z A801.2RS A801ZZ

ワイヤーガイドおよび矯正ローラー - A801.2Z A801.2RS A801ZZ

応用分野:
ケーブル、ストリップ、ワイヤの矯正は、最終製品が得られるまで段階的に連続的に実行されます。異なるステップ間の取り扱いを合理化するために、材料はリールまたはボビンに保管され、自然ではない形状になります。

直径(mm)
8
直径(mm)
22
D1(ミリメートル)
20.5
B(ミリメートル)
7
C(ミリメートル)
7
Ra MAX(mm)
0.5
α(度)
90
R 最小 (mm)
0.3
Cr (ケニア)
3.3
コル(KN)
1.37
制限速度(rpm)
2Z 22000 2RS11000
重量(g)
12
シールタイプ:
2Z
2RS
  • A801.2Z - ワイヤーガイドと矯正ローラー
  • A801.2Z - ワイヤーガイドと矯正ローラー

説明

ワイヤーガイドおよび矯正ローラー - A801.2Z A801.2RS A801ZZ

応用分野:
ケーブル、ストリップ、ワイヤの矯正は、最終製品が得られるまで段階的に連続的に実行されます。異なるステップ間の取り扱いを合理化するために、材料はリールまたはボビンに保管され、自然ではない形状になります。
したがって、すべての製造ステップで、材料をそのサポートから外すという逆のプロセスを実行する必要があります。その瞬間に、矯正操作が行われます。これは 3 つのステップに分けられます。
矯正とは、材料を元の形状に戻すことです。この操作は、最初の矯正ローラーによって実行されます。
ボビンへの巻き取りにより材料に残留した拘束を除去します。この操作は、ストレートナーの中央部分にあるローラーによって実行されます。
ワイヤーの成形は、通常、最初のローラーの角度に対して 90° の角度で配置されたストレートナーの最後のローラーによって実行されます。

多くの場合、これら 3 つのステップを組み合わせる必要があります。これが、ストレートナーが 2 つの平面に配置された 5、7、9、11、または 13 個のローラーを使用する理由です。
ローラーの製造精度は、最終製品 (ワイヤー) の品質とローラーの耐用年数に大きな影響を与えます。したがって、外輪の修正された「V」ノッチがベアリングの他の部分と同じ幾何学的特性と精度を持つことが不可欠です。このため、YITONG ローラーのノッチは、ベアリングの組み立て前に精密に機械加工されます。
組み立てられた標準ベアリングにこのノッチを研磨することは、ベアリングが損傷する可能性があるため危険です。そのため、許容できる均一性と幾何学的精度は保証されません。ローラーの耐用年数は大幅に短くなり、それに応じてワイヤーの引き抜き品質が低下します。
YITONG は、糸ガイドや矯正ローラーを使用する数多くの用途の中で、タイヤ業界向けのスチールケーブルを生産する特殊な伸線会社として名を馳せています。

以下の機械は同じタイプの特殊ローラーを使用します。

• グラスファイバーケーブル用工作機械(芝刈り機)
• スプリング製造用機械
• 金属線用機械
• 糸巻き、糸繰り出し、巻き戻し用の機械
• 微細かつ高精度の線引き
イートンこのようなベアリングの製造に必要なすべてのツールが装備されています。